Pre-registration for Taha luxury residential projects
www.FardidBanaMandegar.ir
مـدیـریـت و اجـرا

نرم افزارهای معماری و طراحی هوش مصنوعی
AI-powered architecture and design software
نرم افزار Visoid
نرم افزار Veras از شرکت evolvelab
نرم افزار Transcend
نرم افزارTestFit
نرم افزار TestFit
نرم افزار Stable Diffusion از شرکت Stability AI
نرم افزار Skema
نرم افزار Scout از شرکت Asseter.ai
نرم افزار qbiq
نرم افزار PromeAI
نرم افزار NovArch AI
نرم افزار MyArchitectAI
نرم افزار Morphis از شرکت EvolveLAB
نرم افزار mnml.ai
نرم افزار Midjourney
نرم افزار Maket
نرم افزار LookX AI
نرم افزار Laiout
نرم افزار Kolega.Space
نرم افزار Kaedim
نرم افزار Interior AI
نرم افزار Hypar
نرم افزار Hektar
نرم افزار Gaia: مخفف کلمه Generative AI Architect
نرم افزار Finch
نرم افزار DALL•E / بخشی از نرم افزارهای شرکت OpenAI
نرم افزار Coohom
نرم افزار CONIX.AI
نرم افزار Autodesk Forma
نرم افزار ArkoAI
نرم افزار ARK
نرم افزار ARCHITEChTURES
نرم افزار Aino
Adobe Photoshop

برای برخی از کسانی که به تازگی حرفه مهندسی سازه را شروع کرده اند، خواندن *نقشه های سازه یک چالش است، چراکه در نگاه اول می توانید خطوط، فلش ها و متون بسیار پیچیده ای را در نقشه مشاهده کنید. ممکن است احساس کنید از مهندسین دیگر عقب مانده اید زیرا واقعاً نمی دانید چگونه نقشه های سازه را به درستی بخوانید. اما در واقع، از طریق یک راهنمای مناسب و مطالعه کامل آن، درک نقشه سازه به آسانی 1،2،3 گفتن است. در ادامه ترفندها و نکات راهنمای مبتدی در مورد نحوه صحیح خواندن نقشه های سازه آورده شده است.
(*نقشه سازه : نقشه اجرایی یک ساختمان به چهار گروه نقشه معماری، نقشه سازه، نقشه تاسیسات برقی و نقشه تاسیسات مکانیکی تقسیم می شود.)
1- نشانه گذاری ساختاری، نمادها و اختصارات.
هنگامی که با نحوه خواندن یک نقشه سازه سروکار دارید، متوجه نمادها و نشانه هایی در نقشه خواهید شد که با آنها آشنا نیستید یا معمولاً با آنها مواجه نمی شوید، به خصوص اگر اولین باری باشد که یک نقشه سازه را می خوانید و مرور می کنید. بنابراین، آشنایی با این نمادها، هنگام شروع یادگیری نحوه خواندن نقشه سازه ممکن است مفید باشد. ولی نگران نباشید زیرا اغلب نشانهها و نمادهای موجود در نقشههای سازه معمولاً در قسمتی از نقشههای سازه، ترجیحاً روی جلد یا صفحه اول قرار میگیرند. بنابراین اگر در مورد نشانه یا نماد خاصی گیج شده اید، همیشه می توانید به عقب برگردید و این برگه را به عنوان مرجع خود بررسی کنید. در ادامه رایجترین نمادها و نشانههایی که هنگام خواندن نقشههای سازه با آنها مواجه میشویم، آورده شده است:
اختصارات:
C/C: مرکز به مرکز
S.S.L: سطح دال سازه
F.F.L: سطح کفپوش
G.L.: سطح دروازه
NTS: بدون مقیاس
SPECS: مشخصات
U.N.O.: مگر اینکه خلاف آن ذکر شده باشد
E.J.: درز انبساطی
SCHE.: برنامه زمانبندی
T.O.C.: بالای بتن
RFT/RENF: آرماتور
TYP: معمولی
THK: ضخامت
2- برگه مشخصات کلی سازه
برگه مشخصات کلی سازه، معمولاً در اولین برگ یا روی جلد یک نقشه سازه است. این برگه شامل خلاصه یا استانداردهای کلی ساخت و ساز، در مورد چگونگی اجرای یک پروژه خاص است. این برگه *مقاومت فشاری یا مرز انهدام مصالح مورد استفاده در ساخت و ساز و مواردی همچون ویژگی های بتن، میلگردهای تقویت کننده یا فولاد مورد نیاز، قلاب ها یا خم های استاندارد میلگرد، استانداردهای اتصال لبه، خلاصه مختصری از مشخصات ساخت و ساز و دستورالعمل هایی که در طول ساخت و ساز باید رعایت شود، را شرح می دهد. این برگه همچنین شامل دستورالعمل مخلوطهای بتنی که باید مورد استفاده قرار بگیرد و طرز کار یا روشی است که پیمانکار یا سازنده از آن پیروی میکند. اطلاعات مربوط به معیارهای طراحی و ملاحظات مورد استفاده در طراحی سازه مانند ملاحظات بار، استانداردهای قانونی، ظرفیت تحمل خاک در طراحی فونداسیون و بسیاری موارد دیگر نیز در این برگه آورده شده است !
(*مقاومت فشاری : عبارت است از ظرفیت تحمل یک جسم، مصالح ساختمانی یا سازه در مقابل نیروهای فشاری محوری مستقیم. هنگامی که حد مقاومت فشاری یک ماده فرا میرسد، آن ماده منهدم خواهد شد.)

3- برگه توضیحات عمومی.
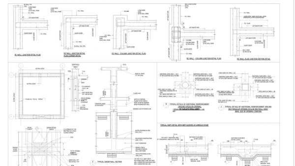
این برگه شامل جزئیات مربوط به چیدمان آرماتورها مانند جزئیات خمش میله در تیرها و دال ها، جزئیات و مقاطع معمول دیوار برشی و دیوار حایل، فونداسیون ها، گودها، منافذ روکش ها و دال، و جزئیات اتصال ستون و تیرها و اتصالات استاندارد می باشد. جزئیات مربوط به ساخت دیوارهای بنا و استاندارد آن را نیز می توان در این برگه مشاهده کرد. نکته خوبی که در مورد برگه های توضیحات عمومی وجود دارد این است که آنها خودشان به صورت توضیحی هستند و درک آنها بسیار آسان است.
بنابراین اگر مشکلی دارید و در مورد نحوه ساخت هر یک از اعضای سازه در محل ساخت و ساز سردرگم شدید، همیشه می توانید برگه های توضیحات عمومی را برای مطالعه یا بررسی قبل از اجرای نهایی بررسی کنید.

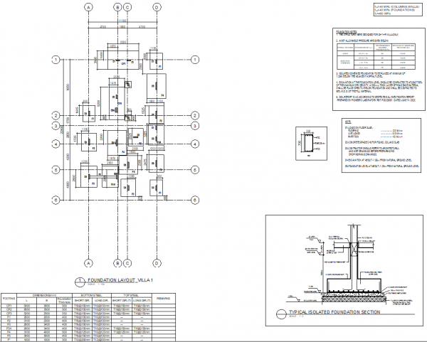
4- طرح و جدول ستون گذاری .
برگه طرح ستون ها شما را در مورد انتخاب ستون ها و دیوارهای برشی و مکان یا ابعاد آکس بندی ستون ها راهنمایی می کند. طرح ستون را می توان با برچسب های ستون یا دیوار نشان داده شده در پلان متمایز کرد. برگه های جدول اجرایی این ستون ها و دیوارها ، تعداد میلگردها و فاصله خاموت ها و آرایش آرماتورهای آنها را نشان می دهد. این کار مهندس را به اطلاعات صحیحی در مورد هر یک از ستون ها/دیوارهای مختص سازه به ویژه در حین کارها و بازرسی های سایت می رساند.
به عنوان مثال برای دانستن محل ستون C1 ، ابعاد آکس بندی و برچسب ستون آن مشخص شده است. برای بررسی تعداد میلگردها و فواصل خاموت ها می توانید به جدول ستون در همان ورق از نقشه یا یک برگه جداگانه در برخی نقشه ها مراجعه کنید.

5- نقشه فونداسیون
طرح پی ریزی پروژه را می توان در نقشه فونداسیون پیدا کرد. در این برگه می توانید پی ریزی هایی را که قرار است در پروژه ما ارائه شوند، با نشانه ها یا برچسب های فونداسیون مربوطه ، مشاهده کنید. همراه با همین برگه، برنامه زمانبندی پی ریزی وجود دارد که ابعاد هر فونداسیون را با ضخامت ها و برنامه آرماتوربندی برای هر دو جهت نشان می دهد و همچنین نشان می دهد که میلگرد در بالا یا پایین پایه قرار می گیرد.
رایج ترین نوع فونداسیون، فونداسیون ایزوله و فونداسیون ترکیبی است. در برخی موارد، به خصوص برای پروژه های بزرگتر، فونداسیون ها تنها به ایزوله یا ترکیبی محدود نمی شوند. به عنوان مثال با انواع فونداسیون های شمع مواجه خواهیم شد. همانند فونداسیون ایزوله، فونداسیون شمع را نیز می توان با برچسب زدن از نوع شمع متمایز کرد و جدول مربوط به زمانبندی آن ، ابعاد، ضخامت و آرماتور مورد نیاز را تعیین می کند. به جز مواردی که از *فونداسیون گسترده استفاده می شود، خواندن تعداد آرماتورها و ضخامت و نحوه قرار گرفتن آن در محل، مشابه زمانی است که شما در حال خواندن یک دال معلق هستید. موردی که به زودی در ادامه مطلب دربارۀ آن صحبت خواهد شد.
(*فونداسیون گسترده: از یک لایه بتن مسلح در زیر تمام ساختمان تشکیل می شود که کلیه بار های سازه ناشی از ستون ها و دیوارها را حمل می کند. این فونداسیون باعث توزیع نسبتا یکنواخت تنش و جلوگیری از تمرکز آن در زیر بارهای سنگین و موضعی می گردد و در نتیجه در کاهش نشست نامساوی بسیار موثر است.)

6- نقشه چیدمان عمومی
نقشه چیدمان عمومی نمایانگر چیدمان کلی در هر طبقه از ساختمان یا پروژه پیشنهادی است که باید در ساخت و ساز دنبال شود. این نقشه شامل اطلاعاتی در مورد چیدمان یا محل تیرها و علامت های آنها، نوع دال ها و ضخامت آنها، محل راه پله ها، دیوارهای آسانسور، دهانه های دال، فرورفتگی دال ها و سطوح و همچنین برچسب های مقطع و محل هر کدام در نقشه است و می توان این موارد را در این نقشه پیدا کرد. نقشه های چیدمان عمومی از طرح بندی تیرآهن یا طرح قاب بندی طبقه همکف، قاب بندی طبقات مسکونی و طرح های قاب بندی سقف پروژه تشکیل شده اند.
هنگام مطالعه این نقشه ، تصور کنید که از بالا به طبقه ای که نشان می دهد نگاه می کنید. با نگه داشتن این نقشه در جهت شمال ، تمام چیدمان و طرحی که می توانید از بالا مشاهده کنید دقیقاً همسو با آن سازه در هنگامی که ساخته می شود، است. این نقشه همانند یک نقشه راه است که باید آن را دنبال کنید تا گم نشوید.

7- نقشه آرماتوربندی
نقشه های آرماتور مشابه نقشه های چیدمان عمومی هستند، با این تفاوت که نمایانگر طرح آرماتورهای فولادی کلی هستند که قرار است در دال کف ارائه کنیم. این نقشه اساساً طرحی است که برنامه ای از آرماتورها را با هر قطر و طولی به همراه محل یا موقعیت آن آرماتورها نشان می دهد. هنگام برخورد با یک دال بتنی به صورت یک طرفه یا دو طرفه، معمولا برنامه ای از آرماتوربندی آن در نقشه ارائه می شود، و جزئیات نحوه قرار گرفتن آرماتورها، مگر اینکه به طور دیگری ذکر شده باشد ، در برگه راهنمای جزئیات نمونه نشان داده شده است . هنگام برخورد با دال های مسطح، شبیه به فونداسیون یکپارچه یا فونداسیون گسترده، نقشه کمی متفاوت است زیرا آرایش تقویتی میلگردهای اضافی، چه بالا و چه پایین، مستقیماً روی پلان نشان داده شده است. در این آرایش، شما می توانید جهت آن را ببینید و یک فلش جهت قرارگیری را نشان می دهد. قطر میلگرد و فاصله آن نیز با جدول آرماتورهای شبکۀ اصلی دال مذکور نشان داده شده است.

8- برگه جزئیات ساختاری / برگه های بخش عمومی.
جزئیات ساختاری یک سازه با اشاره به تگ های بخشی که در نقشه چیدمان عمومی با آنها مواجه شده ایم، معمولاً در این برگه ارائه می شود. در این نقشه اغلب جزئیات اتصال سازه، جزئیات فرورفتگی دال، جزئیات *کتیبه، *جان پناه ها، پیوندهای برش پانچ، *پتکانه ها، جزئیات راه پله ها و جزئیات میلگرد در برخی از اعضای سازه و مواردی از این دست را مشاهده می کنیم. جزئیات خاصی که طراح سازه می خواهد در نقشه نشان دهد را می توان در اینجا پیدا کرد. بنابراین، اگر فکر کنید جزئیاتی هستند، که نمیتوانید آن را در برگه نقشه چیدمان عمومی پیدا کنید، برگه جزئیات ساختاری، مکان مناسبی برای بررسی خواهد بود.
(*کتیبه : (Drop Panel) یک بخش مستطیلی شکل بین سرستون و دال بتنی است که با توزیع بهتر بارهای اعمال شده، از برش و گسیختگی دال جلوگیری میکند.)
(*جانپناه: معمولاً دیوار کوتاهی است که پیرامون بام ساختمان یا لبه ایوانها ساخته میشود. به عبارتی دیگر، جانپناه مانعی است به صورت دیوار در امتداد لبهٔ یک بام، بهارخواب، بالکن، گردشگاه یا سایر محوطهها)
(*پتکانه : اندامی است که بر اساس مشخصههای شکلی و خواص سازهای خود تعریف میشوند و شامل چند ردیف تاقچه میباشد که بر اساس هندسهای مشخص و منتظم روی هم سوار میشوند و جلو میآیند. این مجموعه میتواند به عنوان گوشه سازی یا پوشش فضا نقش آفرینی کند)
9- نقشه دیوار محوطه
نقشه دیوار محوطه که به عنوان نقشه دیوار مرکب نیز شناخته می شود، طرح کلی را با در نظر گرفتن حصار محیطی در امتداد محدوده طرح نشان می دهد. در این برگه، چیدمان تیرچه ای دیوار مرکب و پایه دیوار مرکب به صورت نامتعارفی نشان داده شده است. اطلاعات مربوط به سطح دروازه، سطوح جاده موجود، و اینکه آیا محدوده قطعه زمین طرح نزدیک به همسایگان موجود است یا در کنار جاده ها ارائه شده است، همچنین می توانیم متوجه شویم که ساختمان/پروژه اصلی که در حال ساخت آن هستیم نزدیک به محدوده قطعه است یا خیر. ردپای کلی یا نمای سازه در نظر گرفته شده از بالا را می توان به راحتی هنگام بررسی این برگه پیدا کرد.
10- نقشه شمع کوبی و جزئیات.
بسته به شرایط محل ساخت و ساز میتوان یک برگه نقشه شمع کوبی اضافه کرد. طرح و جزئیات حفاری زمانی ارائه می شود که ما نیاز به حمایت از حفاری خود برای جلوگیری از ریزش احتمالی سازه موجود در آن نزدیکی داشته باشیم. این داستان زمانی اتفاق میافتد که اختلاف بین سطح موجود در مقایسه با پایینترین سطح طبیعی زمین در طول محدوده طرح، بیش از 1.20 متر باشد. علاوه بر این، زمانی که پروژه پیشنهادی ما دارای سطوح زیرزمینی است، کار شمع کوبی ضروری است. در هنگام مطالعه این برگه، به شما راهنمایی می شود که در کجای این طرح، کارهای شمع کوبی را انجام دهید. تمام جزئیات این بخش اعم از *دیوار برلینی، *شمع مماسی یا شمع سکانتی، به وضوح مشخص شده و در نقشه شمع کوبی ارائه شده است.
(*دیوار برلینی : یا سولجر پایل، راهی برای تثبیت خاک و یکی از قدیمیترین روشها و سیستمهای مهار گود است که در حفاریهای عمیق مورد استفاده قرار میگیرد. این روش، برای گودهایی که تراز آب، پایینتر از تراز کف گود قرار دارد مناسب است)
(*شمع مماسی : یا شمع سکانتی نوعی از شمع های بتنی هستند که به صورت ترکیبی از شمع های مسلح (دارای قفسه آرماتور) و غیر مسلح اجرا می گردند.)

.png)






مطالب مرتبط
افراد دارای مهارت در این زمینه
Skilled professional in this field
در صورتی که در این زمینه تخصص یا مهارتی دارید، پس از ثبت نام در سایت و تکمیل فرم مشخصات شخصی ، پروفایل خود را به لیست زیر اضافه نمایید .
If you have expertise or skills in this field, please register on the website, complete your personal information form, and add your profile to the list below